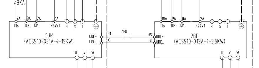
引用引用第7樓周家大少于2017-09-10 22:48發表的 :第二個變頻器的電源是由第一個變頻器提供的,你說為什么加要。。。。。。。 你仔細觀察就可以發現第二臺的R,S,T是沒有電源進來的。。。。。
主辦單位:上海明控機電科技有限公司
本站所有內容均為網友自行發布,不代表網站立場,如有爭議請與管理員聯系
工控人家園是公益論壇,不銷售任何資料軟件,不銷售會員和積分
刪貼、投訴電話:13816792706
遵守法律,文明發言 滬ICP備10210768號-2 滬公網安備31010802001143號